电炉温度控制器
摘要:介绍一种由镍铬加热丝、接触器、铂热电阻和温度控制器构成的电热烘箱温度控制系统。镍铬丝采用星形接法,属于接触器控制。此系统控制精度高,故障率低。
0 引言
电热烘箱在工业、农业、医院和科研等领域都有着广泛的用途,现在有很大比例的电热烘箱温度控制系统仍采用分立元件,如图1所示。其控制温度的原理是:操作者先将开关SA1和SA2拨至接通位置,过一段时间后读插在烘箱底部的水银温度计显示的温度,待其显示的烘箱内部的温度接近工艺温度时断开开关SA2,烘箱通过控制KM1的通断进行保温操作。操作者还需要不断的观察水银温度计,如果温度计显示温度与工艺温度不一致,操作者须不断调节调节器旋钮,直至温度计的稳态读数刚好等于工艺温度。通常情况下,要调节歘工艺温度需要的时间比较长,而且误差较大。最为重要的是由于器件的老化,烘箱温度控制系统经常出现故障,温控系统一旦发生故障很难修复。因此,改造或者重新设计分立元件电热烘箱温度控制器系统就很有必要了。

1 主回路
1.1 主回路电路分析
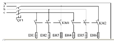
本次制作的电热烘箱主要用于烘烤软膜,其烘烤工艺有如下两点要求:第一是升温速率要大,以便于烘箱温度在额定装载量时能较快地从室温升到工艺温度(即温度器上的设定温度);第二是在工艺温度保温时,温度误差较小,以免出现制品欠烧或者过烧的现象。为满足工艺要求,本方案设计了两组加热器,升温时两组加热器同时投入工作;保温时,仅第一组加热器EH1\EH2和EH3工作。主回路电路图如图2所示。在计算加热器的功率时,同组的功率应相同,可以延长接触器触点的使用寿命和减小中性点漂移,同时各组加热器的功率应根据烘箱的额定装载量、最高使用温度、加热腔体积、升温速率等因素计算得出,具体数值可根据经验公式计算出

图2 主回路图
1.2 加热件的连接
尽管本设计中只有两组中性点与配电柜中线母排连接的星形连接的加热件,加热件的连接端子总数还是比较多。在加热系统中如果主回路连接不好则会导致连接端子处接触电阻增大,进而致使连接端子处的热功率增大,最终会导致镍铬丝在连接端子处因过热而熔断,连接端子处的热功率按照经验公式计算。
通常用于连接烘箱加热丝的铁螺钉和镀锌螺钉在烘箱加热过程中极易氧化和龟裂,当螺钉氧化层和龟裂处剥落后,加热丝连接处因间隙增大导致接触电阻增大,致使整个烘箱热功率降低,甚至引起电弧熔断加热主回路。为了减小上述事故的发生概率,利用不锈钢螺钉压接加热炉丝。实际运行结果表明,使用不锈钢螺钉后加热丝压接处熔断的故障率明显降低。
1.3 防止加热件短路的措施
尽管烘箱的主回路比较简单,但不当的加热件安装、使用和维护都可能导致加热镍铬丝之间的相间短路或者镍铬丝与烘箱外壳的相地短路。为了尽量降低主回路发生短路的可能性,针对烘箱的实际情况应注意解决以下两个问题。
第一是从接触器KM1和KM2主触点输出端子的6根相线和1根中线均须穿过同一穿线孔引至烘箱底部的接线端子上,因此处理好这7根铜线之间以及它们于烘箱外壳之间的绝缘就显得尤为重要。在铜导线压接前应为每根导线穿好足够的陶瓷绝缘子;导线穿孔时应避免交叉,此外,将多余的铜导线剪断。这样,穿孔线处发生短路的概率就大大降低了。
第二是镍铬丝置于凹槽内。如果镍铬丝置于凹槽外,其通电加热极有可能通过铁盖板与烘箱外壳相连导致相地短路或者与其他镍铬丝相连而发生相见短路。解决的办法是在连接好主回路和控制回路导线并确定链接正确后,先不盖盖板进行通电加热,镍铬丝在加热状态下变软,用绝缘良好的尖嘴钳和螺丝刀等工具将置于炉盘外的镍铬丝拨至凹槽内,断电冷却后,确认所有的镍铬丝均处于凹槽内,在炉盘盖上盖上几块陶瓷板后再盖上盖板,可防止镍铬丝发生短路。
1.4 及时清理炉盘
考虑到炉盘制作和烘箱内的热传递以对流方式为主,因此烘箱的加热元件基本都安装在底部。在烘箱升温过程中,置于加热元件上方用于遮挡的铁板便面因受热比常温下更容易氧化,这些氧化物在烘箱加热、自然冷却这样的骤热骤冷过程中会大量龟裂掉在炉盘上。尽管氧化铁不导电,但是长期的积累在炉盘凹槽内的氧化铁屑堆积过多后会使镍铬丝因热量无法散发而过热熔断。针对这种情况,最好的解决办法就是烘箱使用不锈钢内胆和器皿,否则必须定期清扫炉盘以防止氧化铁屑大量堆积。
2 控制回路
2.1 控制回路的电路分析
此次设计的烘箱温度控制系统属于接触器控制,整个系统以武汉辉达工控技术有限公司生产的XMT温度控制器为核心,辅助以三个开关,两个交流接触器,时间继电器和一个铂热电阻。
.png)
2.2 仪表超温报警输出端子的应用
通常情况下,温度控制器超温报警主要由两种用途:第一是超温声光报警,即超温时报警常开端子闭合,直接或者通过继电器控制超温指示灯和报警电铃;第二种是利用超温报警常闭输出端子超温时断开,切断继电控制系统中的主接触器或者封锁晶闸控制系统中的触发脉冲。
3 影响烘箱温度控制的几个重要因素
3.1 温度控制模式选择
目前,比较流行的温度控制模式有:接触器、固态继电器和晶闸管三种。接触器的温度控制精度较差,误差也比较大。其优点是价格便宜;晶闸管的控制效果最好,但是价格昂贵,控制线路和调节非常复杂;固态继电器的各项指标均介于接触器和晶闸管之间。本系统温度控制精度要求不高,故采用价格低廉的接触器控制,交付时控制器误差为±1℃,能较好的满足工艺要求。
3.2 温度传感器的选择与安装
在温度控制系统中,温度传感器是相当重要的原件,它负责将温度信号转换为电阻或者电势信号,并通过与之配套的温度控制显示器和控制加热腔室的温度。基于测量范围、测量精度、自热影响等基本性能考虑,本系统选择铂热电阻PT100作为温度传感器。由于PT100是利用导体的电阻值随温度变化来测量温度的原件,因此PT100的测量部分应当充分暴露在烘箱加热时的非死角区,伸入烘箱部分长度约为30cm。
4 结论
该烘箱温度控制系统至2003年安装、调试后,尽管使用频繁,除更换镍铬丝外没有发生过其他故障。该系统具有结构简单、控制精度高、故障率低、成本低和操作人员容易接受等优点,因此极具推广价值。
- 上一条产品:热处理自动化KSY-P智能电炉温度控制器
- 下一条产品:4KW箱式电阻炉温控系统改造及调试


