电炉系统解决方案
摘要:针对一些老式电加热恒温设备需要修理、改造而缺乏配件的困难,找出了在仪器设备原有基础上,利用数显温度控制仪表、接触器以及各种功率模块组合,代替原有温度控制部件,实现了更加直观、方便、可靠,精准的温度控制方案。通过几年来改造过的数台电加热恒温设备运行表明,改造方案是成功的,本文以电热恒温干燥箱改造为例,介绍改造原理及过程,以期对大家有所启发。
关键词:电热恒温干燥箱 改造
1.引言
在实验室有一些老式电热烘箱,这些烘箱控制温度的方式采用热膨胀调温式即在其工作室内安装测温杆,将两种膨胀系数不同的金属片,或膨胀灵敏的金属杆,借热胀冷缩在不同温度下有不同的伸长或缩短长度来控制断电或通电,来达到温度控制的目的,温度显示需借助顶端的玻璃温度计,这种控制方式控温精度低、读数不直观。由于机械磨损,调温装置损坏,造成温度失控,因这种控温器已没有备件出售,有些烘箱已处于停用状态。若能修复这些设备,不仅能延长其使用寿命,还能为单位节约大量采购经费。
2.存在的问题

改造前烘箱 电热恒温干燥箱铭牌
改造前温度调节器 改造前温度调节旋钮
该电热恒温干燥箱1983年生产,为我单位科研生产发挥了很大作用,它主要由金属箱体、保温材料、电阻性加热部件、控制电路及控制面板等构成。其中箱体、保温材料等的机械结构还是完好的,托架、隔板齐全、完好,而这些又是设备价值较高的部分,但由于使用多年,温度调节器机械磨损严重,无法正常调节温度,找到同型号配件更换,已处于停用状态。
从以上情况来看,只要修复或更新温度控制系统,该电热恒温干燥箱还是可以恢复使用的。
3.改造方案及实施
⑴原有的控制线路及原理

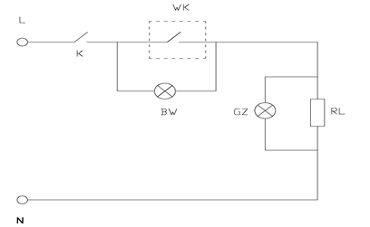
该图为未改造前的线路图
K-------电源开关 RL—加热元件 BW—保温指示灯 GZ—工作指示灯 WK—温度调节器
其控制温度的原理是:操作者将电源开关拨至接通位置,待箱体上面的水银温度计显示的温度值接近工艺温度时,操作者须不断调节温度调节器旋钮,处于“通——断”状态,直至温度计的稳态值刚好等于工艺温度。通常情况下,要调节出工艺温度需要时间较长,而且误差较大。
⑵改进前烘箱的控制缺陷分析
原有机械式温度调节方式:由于在控制过程中,设备的加热只有“通——断”两种状态,所以称为二位式机械控温,这种控温方式具有结构简单、价格低廉、使用维修方便的特点。但是调节精度不高,被调温度始终不能定在给予定值上,总是在给予定值上、下周期性的波动,其特性曲线见图

由于加热系统的的热惯性,在某一段时间温度仍然在继续下降,直到t4时才回升。这样反映温度变化的是一条在给定温度上、下一定范围内波动的曲线,这表时存在着“动差”。这种调节方式精度较低,对象的热惯性越大,仪表不灵敏区越大,动差就越大。因此,位式调节不适于热惯性较大的系统,也满足有些实验工艺的要求。
⑶改造方案
随着电子技术的飞速发展,数显温度控制仪表技术日益成熟,价格低,通用性更好,使用更为简捷和方便,在各种控制领域中应用越来越广泛。因此,可以利用数显控温仪表作为主控部件,针对不同的控制对象、控制要求及控制成本,合理选用接触器、可控硅、固态继电器等各种功率模块作为执行部件与之相配合,替代老设备原有的控制电路,对其进行改造升级,实现更为直观、方便、精准、可靠的温度控制。

电热恒温干燥箱改造方案图
温度控制仪表选择:在改造中我们采用了辉达工控XMA-ZK5000系列智能PID调节器。XMA-ZK5000系列智能PID调节器是控温系统的核心部分,XMA-ZK5000系列智能PID调节器采用独特的专家自整定算法,自整定成功率大于95%。14位高精度A/D采集,支持多种报警功能。XMA-ZK5000系列智能PID调节器是采用模糊规则进行PID调节的一种新型算法,在误差大时,运用模糊算法调节,以消除PID饱和积分现象,当误差趋小时,采用改进后的PID算法进行调节,并能在调节中自动学习和记忆被控对象的部分特征以使效果最优化。
控制元件:电热恒温干燥箱加热功率1000W,工作电流4.5A,工作电压220V。而我们选用的BTA41-600,双向可控硅,工作电流41A,耐压600V,完全能够满足要求,而且体积小,便于安装。
温度传感器:电热恒温干燥箱额度工作温度为200℃, Pt100铂热电阻,它用来测量(-200~850)℃范围内的温度,其物理、化学性能稳定,复现性好,铂热电阻与温度是近似线性关系。所以温度传感器选用Pt100。
.jpg)
⑷控制电路的设计

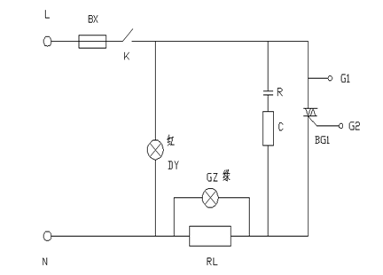
新控制电路的线路图
BX----新增10A保险 K-------电源开关 R,C ------组成可控硅保护电路,R为2W 100Ω C为8200P BG1----双向可控硅 BTA41-600B G1,G2---XMA-ZK5000系列PID调节器2个触发端 RL—加热元件 DY—电源指示灯 GZ—工作指示灯
⑸安装调试
根据设计图纸,完成了安装、接线并进行调试。
XMA-ZK5000系列智能PID调节器初次使用时,可启动自整定功能来协助确定P、I、D等控制参数。自整定时,仪表执行位式调节,经2-3次振荡后,仪表内部微处理器根据位式控制产生的振荡,分析其周期、幅度及波型来自动计算出P、I、D等控制参数。视不同系统,自整定需要的时间可从数分至数小时不等。仪表在自整定成功结束后,会将参数自动保存。如果自整定效果不好,可以反复整定,直到满足要求为止。

改造后的电热恒温干燥箱
4.实施效果
经过改造的电热恒温干燥箱温度控制精度可达到±1℃,直观数字显示,调节方便,由于采用的双向可控硅作为控制元件,克服了过去触点粘连,引起的跑温现象,并且没有噪声。投入使用后,解决了原有设备能力不足,为中心理化检测任务的完成提供了有力保障,同时也节约了大量资金。
- 上一条产品:某石油装备公司热处理电阻炉温度控制方案
- 下一条产品:磁材行业钟罩炉的自动化控制系统及其应用介绍


