服务热线:027-82638412
服务热线:027-83537266
传真: 027-83592799-802
地址:湖北省武汉市硚口区
古田二路南泥湾大道37号汇丰企业总
部1号楼A座...
您所在位置:首页 > 新闻中心 > 行业资讯
行业资讯
如何选择质量优异的可控硅功率调整器
市场上的SCR可控硅功率调整器产品种类繁多,各个品牌的产品宣传琳琅满目,对应的产品品质又是参差不齐,这样的情况用户该如何选择性价比优异的scr可控硅功率调整器呢?
为了解决用户的这一难题,本文以辉达工控和其他品牌的SCR调压器/可控硅功率调整器做对比,告诉大家影响SCR可控硅功率调整器真正使用性能和品质的几点重要的因素是什么,教用户识别什么样的SCR可控硅功率调整器才是高品质的产品,让用户能透过冗杂的市场宣传广告看到产品的真实情况,选出最具性价比、最适合自己使用的热处理温度控制产品。
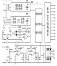
市场上scr可控硅功率调整器看起来都是差不多的,主要的影响产品性能的主要涉及以下四个方面:可控硅功率调整器的散热器的选择、硅的选择、硅余量的选择、触发板的选择。
| 项目 | 辉达工控可控硅功率调整器 | 其他品牌功率调整器 |
|
产品外观图 |
![]() |
![]() |
|
散热器的选择 |
铝制插片式散热器 优势:散热面积大
散热效果好温升控制好
成本较高
|
型材 散热面积小,同等体积散热面积只有铝
制插片式面积的一半不到,温升控制较差
成本较低
|
| 硅的选择 |
西门康进口硅 品质有保障
成本较高
|
国产硅 质量参差不齐,无法保证产
品安全稳定的使用
价格便宜
|
| 硅余量的选择 |
硅可控硅电流的选择直接决定
调压器额定电流,合理的硅的
余量直接提高可靠性
辉达工控硅余量选择放大2倍以上
标注的额定电流可以长
时间持续使用,运行稳
定可靠,使用放心
|
其他品牌硅余量一般为1.3倍-1.5倍
在标准的额定电流长时间使用情
况下可能出现运行不稳定或者出
现其他故障的情况,无法放心使用。
|
| 触发板的选择 |
数字型触发控制版 MCO单片机
触发方式
输入输出
直电隔离和光耦隔离
数字信号,不受老化的影响 滤波和
谐波的干扰处理的好抗干扰性最强。
|
模拟性触发控制版 模拟型触发控制板通过使用专用三相
触发芯片,通过阻容来处理可控硅带
来的滤波谐波的干扰。
成本低,阻容是模拟信号,老化后
信号会产生变化,处理性能会降低,
导致使用的不稳定
|
综上所述:用户在选择热处理控制设备所用的scr可控硅功率调整器时,要注意查看硅和硅余量的使用、散热器、触发板这些核心的方面。选择有品质的硅,硅的余量足够才能使设备运行稳定放心,使用数字型出发模式保证控制精准性好,抗干扰强,运行稳定。
- 上一条产品:某高校材料系研究项目中KSY温控器控制氮气炉的应用
- 下一条产品:KZYP触摸屏智能温控柜九个方面优异性能的体现



.png)



.png)


