服务热线:027-82638412
服务热线:027-83537266
传真: 027-83592799-802
地址:湖北省武汉市硚口区
古田二路南泥湾大道37号汇丰企业总
部1号楼A座...
您所在位置:首页 > 系统解决方案 > 电炉系统解决方案
电炉系统解决方案
辊道窑炉温度控制系统案例分析
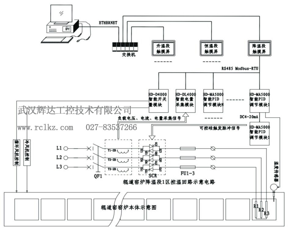
本文介绍了一套辊道窑窑炉温控系统解决方案。该窑炉温度控制系统主要由上位机、智能PID调节器(智能模块)、被控对象、测量装置和通讯设备等部分构成,主要完成窑炉炉温参数的监测、数据记录、生成报表、绘制曲线等功能。本系统中上位机为研华工控机;智能PID调节器为精达带通讯HD-MA5000智能模块;测量装置为温度传感器;被控对象为加热棒;通讯设备为MCGS触摸屏。其控制流程如下述:
被控对象是一个装置或一个过程,它的温度是被控制量。温度传感器对被控温度进行测量,并将测量值与给定值比较,若存在偏差便由智能PID调节器对偏差信号进行处理,再根据智能PID调节器自身的PID运算来增加或减少供给被控对象的热量,使被控温度调节到整定值。
智能PID调节器作为下位机,负责炉温测量与调节,通过RS—485通讯线与MCGS触摸屏进行通讯,数据通过屏再转发给上位机进行监控,上位机作为系统的控制中心。

其中HD-D4000智能开关量模块控制窑炉的循环风机和冷风机的控制,HD-DL4000采集量模块进行负载的电压电流电量信号的采集,HD-MA5000系列智能PID调节模块分别对每个控温区进行温度的控制。该模块具有先进的智能PID控制算法,具有完美的自整定、自适应功能,多种量程设定,可根据设置的工艺曲线(可设置50段)分别设定升温速度、保温温度保温精度和降温速度,实现升温斜率、保温温度、保温时间和降温的自动调节控制,并可显示理论值和实测值,提高了控制水平和控温精度;,实现采用AC100-240V宽范围工作电源,使用时无须担心电源电压变化波动。
为方便操作和管理,整个控制系统采用现场触摸屏加办公室电脑监控,所有功能模块均带有RS485通讯接口,能方便地与计算机联机工作。所有现场参数包括实时温度,设定温度、工作电流、工作电压、系统运行状态等均在电脑上直观地显示出来。同时各种工艺参数修改如温度设定,报警参数设定、相序设定、PID参数设定等可通过现场触摸屏修改,亦可通过电脑直接操作修改。
.jpg)
- 上一条产品:120KW箱式双室气氛炉自动控制系统项目
- 下一条产品:多种多区真空气氛炉控制系统设计方案


